When it comes to designing spaces that are accessible to individuals with disabilities, knee clearance is an important factor to consider. The ADA (Americans with Disabilities Act) sets specific guidelines for the amount of space that must be provided under tables, counters, and sinks to accommodate individuals who use wheelchairs or have limited mobility.
Understanding and implementing these guidelines is essential for ensuring that public and private spaces are inclusive and accessible to all individuals. In this article, we will explore the requirements set forth by the ADA for knee clearance in various settings and provide tips for ensuring that your space meets these standards.

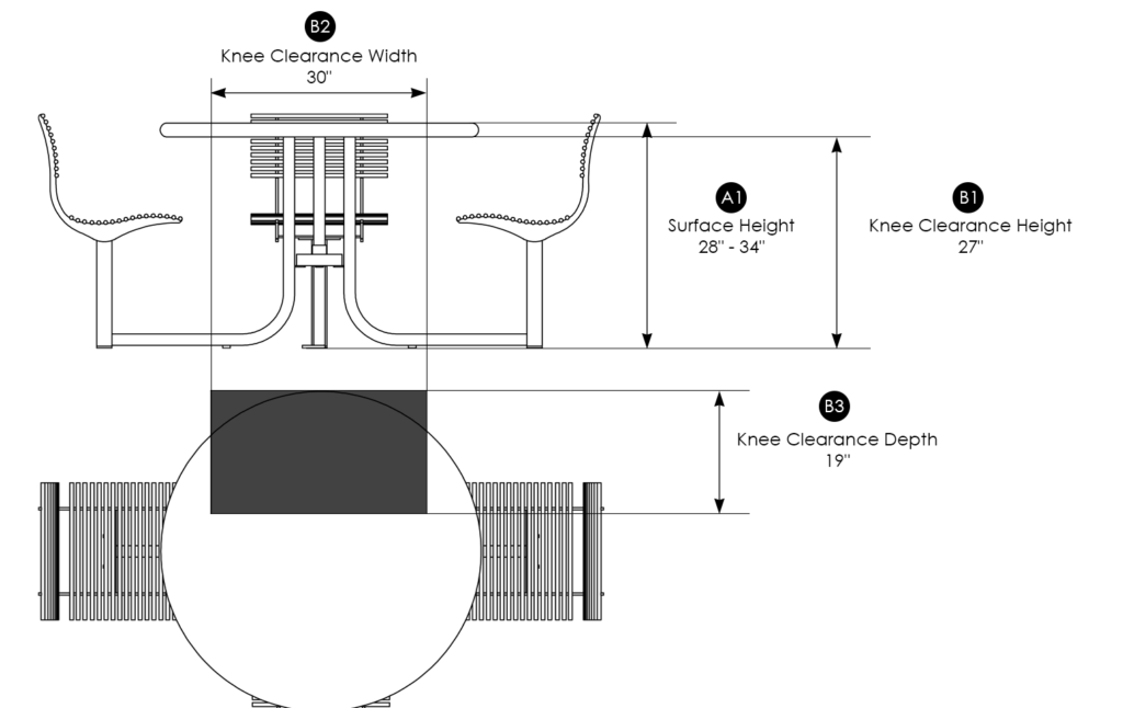
Understanding the ADA Guidelines
The ADA guidelines specify that knee clearance should be a minimum of 27 inches in height, 30 inches in width, and 19 inches in depth for individuals who use wheelchairs. This ensures that there is enough space under tables, counters, and sinks for wheelchair users to comfortably pull up and access these surfaces. It is crucial for designers and architects to adhere to these requirements to create spaces that are truly accessible to everyone. For more detailed information on the ADA guidelines for knee clearance, you can refer to resources like knee clearance ada.
Implementing the ADA guidelines for knee clearance not only ensures compliance with the law but also fosters a more inclusive environment for all individuals. By incorporating these standards into the design of public and private spaces, we can create a more welcoming and accessible environment for individuals with disabilities. It is important for designers, architects, and facility managers to familiarize themselves with these requirements and make sure that they are reflected in their design plans and renovations to promote accessibility for all.
In conclusion, understanding and implementing the ADA guidelines for knee clearance is crucial for creating spaces that are truly accessible to individuals with disabilities. By ensuring that there is adequate space under tables, counters, and sinks for wheelchair users, designers and architects can help promote inclusivity and equality in public and private spaces. It is essential for all individuals involved in the design and management of these spaces to prioritize accessibility and adhere to these guidelines to create a more welcoming environment for everyone. By prioritizing accessibility, we can work towards a society where individuals of all abilities can fully participate and engage in their surroundings.

Top Tips For Audio Translation Services: Your Ultimate Guide
Discover The Best Cpr Certification Training Courses